Diesel PIUSI Flügelzellenpumpe E120/M
Nr: 1032600
Gewicht:
13.701
Kg
/ Stk.
Beschreibung
Downloads
Zubehör (3)
Beschreibung
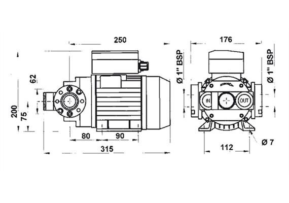
Selbstansaugende Flügelzellenpumpe mit integrierter Bypass-Überdruckregelung und Wärmeschutzschalter, gesintertem Rotor und Flügel aus Acetalharz, 3 m Anschlusskabel mit CH-Stecker
Technische Daten:
Fördermenge: bis zu 100 l/min. (bei freiem Auslauf)
Max. Förderdruck: bis 1,5 bar
Elektrische Daten: 230 V, 0,75 kW, Schutzart IP55, 1400 1/min
Anschlussgewinde: Saug- und Druckseite 1" IG mit Flansch
