Dieselpumpe EP300
Nr: 1032100
Gewicht:
23
Kg
/ Stk.
Grösse:
22
x
42
x
33
cm
Beschreibung
Downloads
Beschreibung
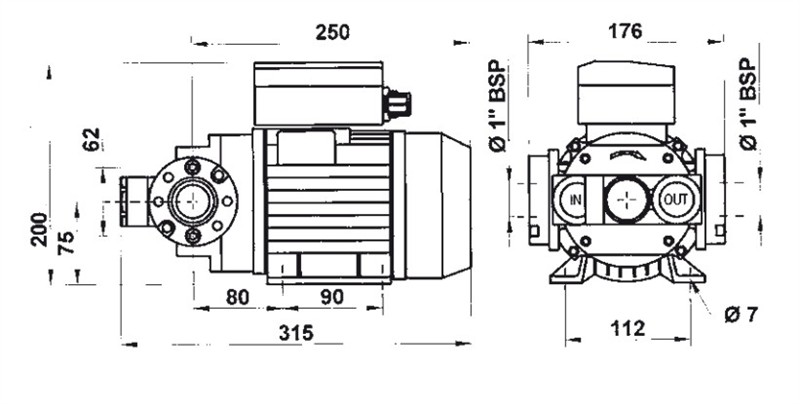
Selbstansaugende Laufradpumpe mit integrierter Rückschlagventil, für Dauerbetrieb
Technische Daten:
Fördermenge: bis zu 500 l/min. (bei freiem Auslauf)
Max. Förderdruck: bis 1,7 bar
Elektrische Daten: 230 V, 1,5 kW, 7 A, Schutzart IP55, 2580 U/min
Anschlussgewinde: Saug- und Druckseite 2" IG
Downloads
- E300_PIUSI_DATASHEET_FUEL_04.25_DE.pdf
- E300_PIUSI_DATASHEET_FUEL_04.25_EN.pdf
- E300_PIUSI_DATASHEET_FUEL_04.25_FR.pdf
- E300_PIUSI_DATASHEET_FUEL_04.25_IT.pdf
- manual_E300_ITESEN_M0362B.pdf
- OFF_ROAD_C0370B_DE.pdf
- OFF_ROAD_C0370B_EN.pdf
- OFF_ROAD_C0370B_FR.pdf
- OFF_ROAD_C0370B_IT.pdf
- spare_parts_E300_F00321000.pdf
